規格品安心保証大口注文対応優れた対候性屋外OK簡単取付附属品付き
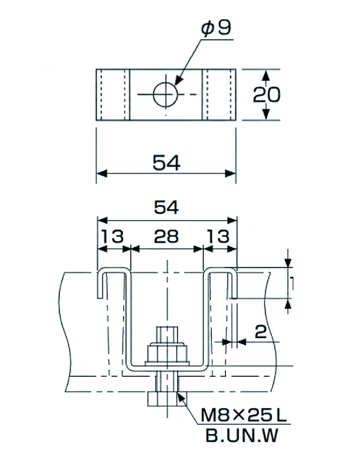
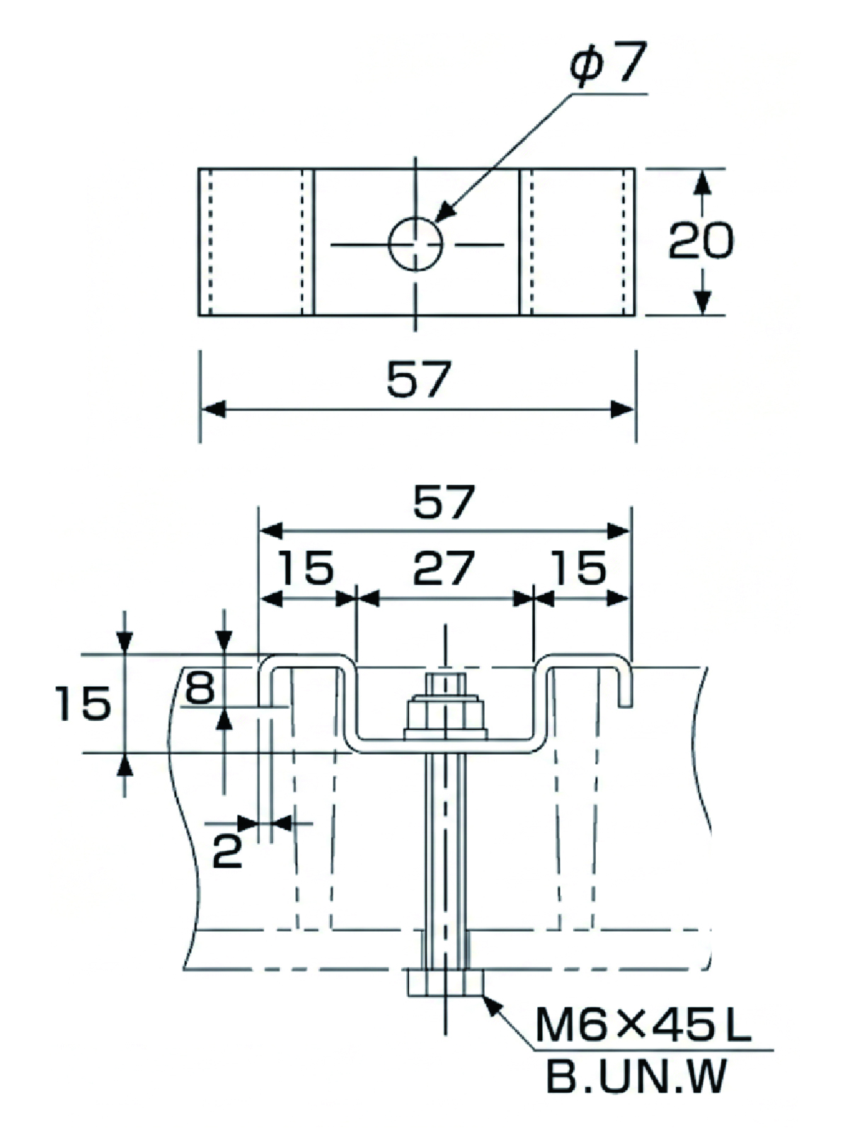
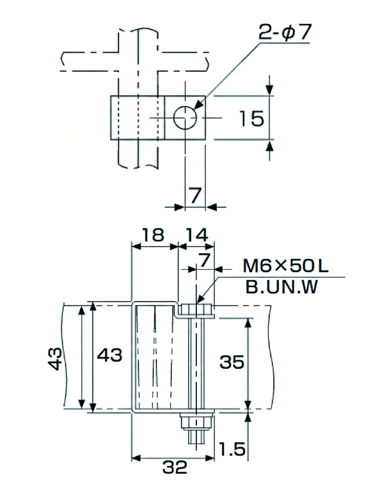
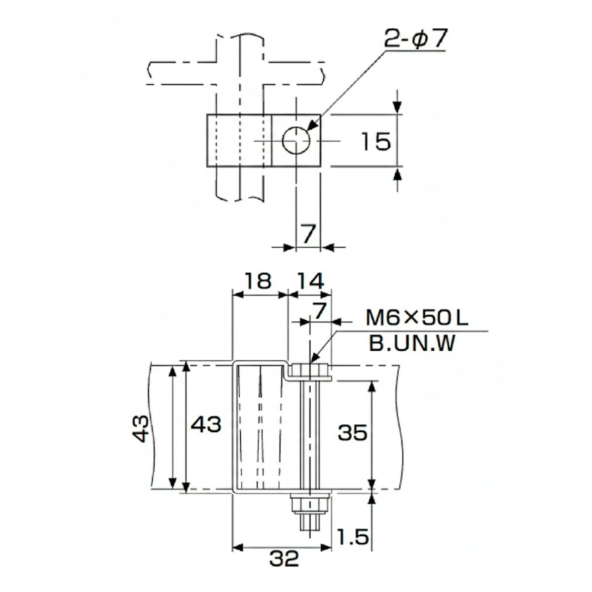
「FF-5(40H-4)」は、正方形マス 40ミリ角(OG4040)(40ミリ厚)・正方形マス 83ミリ角(OG8040)(40ミリ厚)のFRPグレーチング専用の取付金具です。2つのグレーチングを挟み込み、ボルトで床や天井、壁に固定することができます。
耐久性の高いステンレス製のため錆びにくく、屋外でも長く使用いただけます。
当社では「FF-5(40H-4)」以外にも豊富な取付金具をご用意しています。場所や用途に合わせた金具をご提案しますので、金具選びに不安がある方はお気軽にご相談ください。








